HOME-Au
HOME-Au
24h
24h
USA
USA
GOP
GOP
Phim Bộ
Phim Bộ
Videoauto
VIDEO-Au
Home Classic
Home Classic
Donation
Donation
News Book
News Book
News 50
News 50
worldautoscroll
WORLD-Au
Breaking
Breaking
 

Go Back   VietBF > Other News|Tin Khác > History | Lịch Sử


Reply
 
Thread Tools
  #1  
Old  Default Hầm mộ của nữ quý tộc cung cấp bằng chứng lý giải sức bền của bê tông La Mã cổ đại
Nếu có thể tái tạo và ứng dụng bê tông La Mã cổ đại vào xã hội hiện đại, chúng ta sẽ tăng tuổi thọ các công trình kiến trúc thêm vài lần.

Trong số vô vàn những địa điểm thu hút khách du lịch tại Rome, hầm mộ 2.000 năm tuổi nằm dọc con đường Via Appia, có tên gọi Lăng mộ của Caecilia Metella, là một trong những nơi an nghỉ ấn tượng nhất thế giới.

Các nhà sử học nhận định đây là nơi cất giấu thi hài của một nữ quý tộc sống trong thế kỷ đầu tiên Sau Công nguyên. Còn các nhà khoa học vật chất cạo tường khu mộ để tìm hiểu về thứ bê tông cổ đại được dùng trong xây cất công trình khổng lồ. Báo cáo nghiên cứu đã được đăng tải trên tạp chí Journal of the American Ceramic Society hồi tháng 10 năm ngoái.

“Riêng việc xây dựng công trình tiên tiến, tráng kiện và trở thành điểm mốc trên đường Via Appia Antica cho thấy [bà Caecilia Metella] đã rất được trọng vọng”, đồng tác giả Marie Jackson, nhà vật lý địa chất công tác tại Đại học Utah nhận định. “Lớp bê tông dù 2.050 tuổi vẫn phô diễn được sức mạnh và sức bền của mình”.


Lăng mộ của Caecilia Metella

Cũng khá giống với xi măng hiện đại, bê tông La Mã cổ đại cũng là hỗn hợp đơn giản của vữa bán lỏng và cốt liệu*. Chúng ta thường chế tạo xi măng bằng việc đưa vào lò nung đá vôi và đất sét (hoặc sa thạch, tro, phấn hoặc sắt), để ra sản phẩm là một loại bột mịn. Tuy nhiên, cốt liệu làm nên bê tông La Mã lại cấu thành từ những viên đá, viên gạch to bằng nắm tay.

Trong cuốn chuyên luận de Architecture (thảo năm 30 SCN), vị kỹ sư, kiến trúc sư người Hy Lạp Vitruvius viết về cách dựng tường lăng tẩm sao cho công trình trụ vững với thời gian. Ông nhận định tường khu an nghỉ phải dày ít nhất nửa mét, làm từ “khối đá đỏ vuông, hoặc gạch, hoặc nham thạch xếp thành lớp”. Cốt liệu làm từ gạch hay đá núi lửa sẽ được trộn với vữa cấu thành từ đá vôi hoặc mạt vụn núi lửa (tồn tại dưới dạng mảnh thủy tinh hoặc tinh thể).

Nhà vật lý địa chất Jackson đã nghiên cứu các đặc tính khác thường của bê tông La Mã suốt nhiều năm. Bà và các cộng sự từng tiến hành phân tích vữa dùng trong quá trình xây dựng Chợ Trajan, được hoàn thành vào khoảng năm 100, và có lẽ là khu thương xá lâu đời nhất lịch sử.

Nhóm nghiên cứu đặc biệt tập trung vào thứ “keo” gắn kết các vật liệu xây dựng lại: nó là tổ hợp chất chứa canxi, nhôm, silicat và hydrat, được cường hóa bởi những tinh thể strätlingite. Phân tích cho thấy các tinh thể strätlingite ngăn chặn sự hình thành các kẽ nứt trong vữa, vốn có thể biến thành những vết nứt lớn làm hỏng cả công trình kiến trúc.

Năm 2017, bà Jackson trở thành đồng tác giả nghiên cứu phân tích bê tông đắp thành tường chắn sóng dọc bờ biển Ý, là công trình tồn tại suốt 2 thiên niên kỷ trước điều kiện vô cùng khắc nghiệt của biển mặn. Sóng nước vỗ liên tục vào tường chắc chắn sẽ kiến công nghệ bê tông hiện đại sớm sụp đổ, vậy mà tường chắn sóng của người La Mã cổ đại dường như mạnh lên theo từng con sóng.


Tường chắn sóng cổ đại vẫn đứng vững dù đối diện với điều kiện thời tiết khắc nghiệt.

Bà Jackson và cộng sự phát hiện ra công thức bí mật duy trì tuổi thọ bức tường: nó là sự kết hợp giữa các tinh thể hiếm và một khoáng chất rỗ. Khi tổ hợp chất tiếp xúc với nước biển, phản ứng hóa học xảy ra, khiến khoáng chất phillipsite (thường thấy trong tro bụi núi lửa) biến thành tinh thể nhôm tobermorite. Tinh thể bám chặt vào tường đá, tiếp tục ngăn chặn các vết nứt hình thành.

Với tiền đề dồi dào những nghiên cứu liên quan tới các công trình cổ đại, hiển nhiên nhà nghiên cứu Jackson quan tâm sâu sắc tới Lăng mộ của Caecilia Metella. Tháng 6/2006, trong lần đầu tiên bà Jackson thăm lăng mộ, bà đã lấy về những mẫu vữa vụn để phân tích. Theo lời nhà nghiên cứu kể lại, ngày Hè năm ấy có nhiệt độ cao, nhưng không khí trong lăng mộ lại rất mát và ẩm.


Bên trong Lăng mộ của Caecilia Metella.

Các nhà sử học không biết nhiều về người phụ nữ quý tộc nằm lại trong lăng mộ cổ đại, ngoài việc bà Caecilia Metella là con gái của quan chấp chính La Mã Quintus Caecilius Metellus Creticus. Bà cưới Marcus Licinius Crassus, con trai của Marcus Licinius Crassus, một trong ba người lãnh đạo thuộc Chế độ tam hùng lần thứ nhất, bên cạnh Julius Caesar và Pompey Vĩ đại.

Nhiều khả năng, con trai bà Caecilia Metella là Marcus Licinius Crassus là người ra lệnh xây cất lăng tẩm lớn cho mẹ mình; các dấu vết khảo cổ cho thấy lăng hoàn thành vào khoảng giữa năm 30 và năm 10 Trước Công nguyên. Còn một điều đáng chú ý nữa trong câu chuyện trên: ba đời ông, cha và cháu đều mang tên Marcus Licinius Crassus có thể gây nhầm lẫn cho các nhà sử học.

Tại Cung điện Farneses có một quan tài đá cẩm thạch được cho là lấy từ Lăng mộ của Caecilia Metella, tuy nhiên khả năng cao nó không chứa thi hài của người phụ nữ quý tộc, bởi lẽ niên đại của quan tài đá rơi vào khoảng năm 180-190 SCN. Ở thời Caecilia Metella còn sống, tục hỏa táng rất thịnh hành, nên nhiều khả năng trong lòng Lăng mộ của Caecilia Metella, có một hũ tro đựng hài cốt của người đàn bà được tôn trọng.

Bối cảnh xây dựng công trình tuy thú vị, nhưng cấu trúc kiến trúc của lăng mộ mới khiến nhà nghiên cứu Jackson và cộng sự hứng thú. Lăng mộ nằm trên đỉnh một quả đồi, cấu trúc gồm một mái vòm hình tròn đặt trên một bậc đài vòng hình vuông, bên cạnh lăng là một lâu đài được xây vào thế kỷ 14. Bên ngoài lăng là tấm bảng khắc bằng đá:


“Thân tặng Caecilia Metella, con gái của Quintus Creticus [và vợ] của Crassus”.

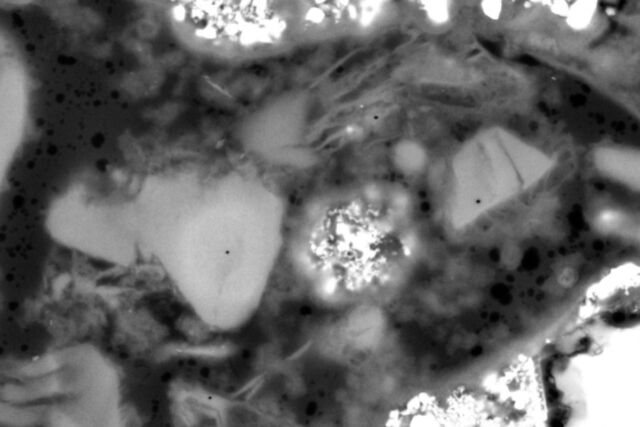
Để nghiên cứu kỹ hơn về cấu trúc vi mô của vữa xây lăng, bà Jackson nhờ tới sự giúp đỡ của các chuyên gia tại Viện Công nghệ Massachusetts (MIT) và Phòng thí nghiệm Lawrence Berkeley. Bằng công nghệ Nguồn Sáng Tiên tiến (ALS), nhóm nghiên cứu tại Berkeley vừa phát hiện ra nhiều loại khoáng chất tồn tại trong bê tông. Tia X với bề ngang tương đương một con vi khuẩn đã xuyên được qua mẫu vữa cổ đại, mang lại những dữ liệu khoa học quý giá.


Lớp nham thạch nằm trên lớp mạt vụn núi lửa trong lăng mộ.

Họ phát hiện thấy vữa của lăng mộ cũng tương tự với vật liệu tạo nên tường Chợ Trajan: mạt vụn núi lửa từ sự kiện phun trào được dùng trong việc liên kết những viên gạch lớn với các cốt liệu nham thạch. Tuy nhiên, mạt vụn dùng trong xây dựng Lăng mộ của Caecilia Metella chứa nhiều khoáng chất leuxit giàu kali. Suốt nhiều thế kỷ, nước mưa và nước ngầm đã ngấm vào tường lăng, hòa tan leuxit để sinh ra kali. Trong tường bê tông hiện đại, tổ hợp chất này chắc chắn sẽ gây ra những vết nứt, khiến cấu trúc tường bất ổn.

Nhưng rõ ràng, Lăng mộ của Caecilia Metella vẫn đứng vững cho tới giờ. Theo lời bà Jackson, việc kali hình thành trong vữa đã một lần nữa cường hóa liên kết giữa canxi, nhôm, silicat và hydrat có trong tường. Một số phần tường vẫn còn nguyên vẹn sau 2.000 năm, tuy một số nơi đã bắt đầu có dấu hiệu nứt. Thực tế, lăng mộ mang cấu trúc tương tự một tinh thể nano.


Hình ảnh chụp cắt lớp bê tông La Mã cổ đại.

“Hóa ra, bề mặt tiếp xúc [giữa cốt liệu và vữa] trong bê tông La Mã cổ đại xây nên Lăng mộ của Caecilia Metella liên tục tiến hóa thông qua khả năng tái cấu trúc lâu dài”, giáo sư Admir Masic tới từ MIT nhận định. “Quá trình tái cấu trúc đã gia cố các bề mặt tiếp xúc và từ đó, có thể giúp cải thiện hiệu năng công trình và khả năng kháng ăn mòn của vật liệu cổ đại”.

Càng tìm hiểu sâu về thành phần tạo nên bê tông La Mã, các nhà khoa học nhiều bước gần hơn tới việc tái tạo lại vật liệu xây dựng đã đi vào huyền thoại, để cải thiện bê tông của thời hiện đại. Đột phá có thể giảm thiểu năng lượng dùng trong sản xuất bê tông, đồng thời tăng tuổi thọ của các công trình thời nay.

“Tập trung vào việc thiết kế bê tông có các bề mặt tiếp xúc [giữa cốt liệu và vữa] tự gia cố mình sẽ giúp ta cải thiện sức bền của vật liệu xây dựng hiện đại”, nhà nghiên cứu Masic kết luận. “Nhờ ứng dụng ‘trí tuệ người La Mã’ đã được thử lửa thời gian, ta có thể cải thiện tuổi thọ của công trình hiện đại thêm vài lần”.
VIETBF Diễn Đàn Hay Nhất Của Người Việt Nam

HOT NEWS 24h

HOT 3 Days

NEWS 3 Days

HOT 7 Days

NEWS 7 Days

HOME

Breaking News

VietOversea

World News

Business News

Car News

Computer News

Game News

USA News

Mobile News

Music News

Movies News

History

Thơ Ca

Sport News

Stranger Stories

Comedy Stories

Cooking Chat

Nice Pictures

Fashion

School

Travelling

Funny Videos

Canada Tin Hay

USA Tin Hay

VietBF Homepage Autoscroll

VietBF Video Autoscroll Portal

Home Classic

Home Classic Master Page



miro1510
R9 Tuyệt Đỉnh Tôn Sư
Release: 01-06-2022
Reputation: 13835


Profile:
Join Date: Oct 2014
Posts: 47,123
Last Update: None Rating: None
Attached Thumbnails
Click image for larger version

Name:	353.1.jpg
Views:	0
Size:	569.8 KB
ID:	1971202   Click image for larger version

Name:	353.2.jpg
Views:	0
Size:	91.4 KB
ID:	1971203   Click image for larger version

Name:	353.3.jpg
Views:	0
Size:	315.8 KB
ID:	1971204  

Click image for larger version

Name:	353.4.jpg
Views:	0
Size:	700.2 KB
ID:	1971205   Click image for larger version

Name:	353.5.jpg
Views:	0
Size:	68.6 KB
ID:	1971206   Click image for larger version

Name:	353.6.jpg
Views:	0
Size:	32.2 KB
ID:	1971207  

miro1510_is_offline
Thanks: 9
Thanked 2,095 Times in 1,934 Posts
Mentioned: 3 Post(s)
Tagged: 0 Thread(s)
Quoted: 8 Post(s)
Rep Power: 59
miro1510 Reputation Uy Tín Level 6
miro1510 Reputation Uy Tín Level 6miro1510 Reputation Uy Tín Level 6miro1510 Reputation Uy Tín Level 6miro1510 Reputation Uy Tín Level 6miro1510 Reputation Uy Tín Level 6miro1510 Reputation Uy Tín Level 6miro1510 Reputation Uy Tín Level 6miro1510 Reputation Uy Tín Level 6miro1510 Reputation Uy Tín Level 6miro1510 Reputation Uy Tín Level 6miro1510 Reputation Uy Tín Level 6miro1510 Reputation Uy Tín Level 6miro1510 Reputation Uy Tín Level 6miro1510 Reputation Uy Tín Level 6miro1510 Reputation Uy Tín Level 6miro1510 Reputation Uy Tín Level 6
Reply

User Tag List


Hà Nội đang rất mệt – nhưng tôi vẫn không đành rời đi Chuyện giang hồ Á Châu và những cú sốc văn hoá Người Đàn Bà Gánh Sứ Mệnh Đến Hơi Thở Cuối Cùng
Putin Sụp Kiểu Liên Xô Hay Chỉ Là Giấc Mơ Của Phương Tây? “Con kiến kiện củ khoai”: Dân Phú Yên có thật sự kiện được thủy điện xả lũ? Trump Đánh Thuế, Chuỗi Cung Ứng Đại Di Cư: Việt Nam Đang Lên Đời Hay Chỉ Là Trạm Trung Chuyển Rẻ Tiền?
VIỆT NAM SẮP HÓNG HAY ĐANG ẢO GIÁC TẬP THỂ? Macron dọa đánh thuế hàng Trung Quốc: Châu Âu giật mình trước thâm hụt 300 tỷ euro Chiến lược An ninh Quốc gia mới của Trump: Khi ‘Nước Mỹ trên hết’ hóa thành bản tuyên ngôn cá nhân
Vì sao ngày xưa vua miễn thuế khi bão lụt, còn ngày nay thì không? Phép tính lạnh lùng của quyền lực Lindsey Halligan: 63 Ngày Hỗn Loạn Ở Viện Công Tố Virginia Việt Cộng sẽ tịch thu toàn bộ tiền của Việt kiều gửi trong ngân hàng?
Từ ‘Sổ Sinh Tử’ Đến Những Tấm Bưu Thiếp Tự Do: Lời Kêu Gọi Từ Buổi Tưởng Niệm 50 Năm Quốc Nạn 1975–2025 Paris By Night Lặng Im: Khi Đế Chế Giải Trí Chạm Đáy Khủng Hoảng Địa Ngục Lửa Trên Cao Ốc: Thảm Họa Wang Fuk Court Rúng Động Hồng Kông, ít nhất 146 người chết, khoảng 40 người vẫn còn mất tích
Ván Cờ Hòa Bình Của Trump: Ukraine Giữa Thể Diện Dân Tộc, Bom Đạn Và Lính Đánh Thuê Toàn Cầu Thảm Sát Trong Tiệc Sinh Nhật Ở California: Khi Bữa Tiệc Gia Đình Hóa Chiến Trường Đẫm Máu Vì sao Paris By Night và nghệ sĩ hải ngoại đồng loạt im lặng trước chuyện chống Cộng?
Nghề nail người Việt giữa cơn bão 2025: khi ghế trống nhiều hơn khách Giáng sinh kiểu Mỹ 2025: Rạp phim cháy vé, gấu bông biết nói nhảm và nỗi băn khoăn “có nên cho con tiền lúc mình còn sống?” Bitcoin lao dốc, vàng – bạc lập kỷ lục: cơn “sốc Nhật Bản” đang dọa thổi bay cú rally cuối năm của Phố Wall
Black Friday 2025: Người Mỹ mua nhiều mà được ít – thuế Trump và “K-đồ thị” xé đôi túi tiền Chống tham nhũng làm nghẽn “cỗ máy chiến tranh”: Doanh thu quốc phòng Trung Quốc bất ngờ lao dốc Cựu tiếp viên hàng không và “luật ngầm” 4 triệu – 7 triệu: đường dây mại dâm Tài Nguyên Fortuner II lộ sáng
Quân Lực VNCH – Ai còn nhớ, ai đã quên: TQLC Phúc Yên Nguyễn Xuân Phúc và một “tổn thất” của Khóa 16 Kinh tế Trung Quốc đang tan rã từ bên trong: “phép màu” chỉ là một phim trường khổng lồ Giữa Nước Mỹ Chia Rẽ: Tâm Sự Của Một Người Nhập Cư

 
Lên đầu Xuống dưới Lên 3000px Xuống 3000px

iPad Videos Portal Autoscroll

VietBF Music Portal Autoscroll

iPad News Portal Autoscroll

VietBF Homepage Autoscroll

VietBF Video Autoscroll Portal

USA News Autoscroll Portall

VietBF WORLD Autoscroll Portal

Home Classic

Super Widescreen

iPad World Portal Autoscroll

iPad USA Portal Autoscroll

Phim Bộ Online

Tin nóng nhất 24h qua

Tin nóng nhất 3 ngày qua

Tin nóng nhất 7 ngày qua

Tin nóng nhất 30 ngày qua

Albums

Total Videos Online
Lên đầu Xuống dưới Lên 3000px Xuống 3000px

Tranh luận sôi nổi nhất 7 ngày qua

Tranh luận sôi nổi nhất 14 ngày qua

Tranh luận sôi nổi nhất 30 ngày qua

10.000 Tin mới nhất

Tin tức Hoa Kỳ

Tin tức Công nghệ
Lên đầu Xuống dưới Lên 3000px Xuống 3000px

Super News

School Cooking Traveling Portal

Enter Portal

Series Shows and Movies Online

Home Classic Master Page

Donation Ủng hộ $3 cho VietBF
Lên đầu Xuống dưới Lên 3000px Xuống 3000px
Diễn Đàn Người Việt Hải Ngoại. Tự do ngôn luận, an toàn và uy tín. Vì một tương lai tươi đẹp cho các thế hệ Việt Nam hãy ghé thăm chúng tôi, hãy tâm sự với chúng tôi mỗi ngày, mỗi giờ và mỗi giây phút có thể. VietBF.Com Xin cám ơn các bạn, chúc tất cả các bạn vui vẻ và gặp nhiều may mắn.
Welcome to Vietnamese American Community, Vietnamese European, Canadian, Australian Forum, Vietnamese Overseas Forum. Freedom of speech, safety and prestige. For a beautiful future for Vietnamese generations, please visit us, talk to us every day, every hour and every moment possible. VietBF.Com Thank you all and good luck.

Lên đầu Xuống dưới Lên 3000px Xuống 3000px

All times are GMT. The time now is 15:16.
VietBF - Vietnamese Best Forum Copyright ©2005 - 2025
User Alert System provided by Advanced User Tagging (Pro) - vBulletin Mods & Addons Copyright © 2025 DragonByte Technologies Ltd.
Log Out Unregistered

Page generated in 0.10184 seconds with 15 queries